Подключение ДХО через реле на ближний свет или ПТФ
Один из вариантов подключения ДХО, это задействовать лампы ближнего света. При этом включается только ближний свет, без включения габаритов, подсветки номера и подсветки в салоне, этим достигается экономия электроэнерегии и увеличение срока службы ламп.
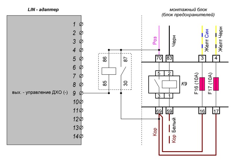
Схема подключения:
Реле, по сигналу с модуля, замыкает провода на Модуле Управления Светом, тем самым обеспечивая включение ламп ближнего света.
Учтите, через данные провода проходит сильный ток, при включении ближнего света это около 10 Ампер, используйте провода и реле с должным запасом. Следует использовать реле на 30 Ампер.
Будьте предельно аккуратны при подключении, использование слишком тонких проводов и/или соединителей может вызвать сильный нагрев, что может привести к пожару. Подключение должно осуществляться квалифицированным персоналом.
Альтернативный вариант подключения ДХО через реле, можно задействовать противотуманные фары:
ВНИМАНИЕ: Прежде чем производить подключение, внимательно изучите действующие законы вашей страны относительно внесения изменений в конструкцию автомобиля, а так-же изучите гарантийные условия на ваш автомобиль. Изготовитель не несет ответственности за последствия, связанные с несоблюдением пользователем требований инструкции по эксплуатации и инструкции по установке, а также с использованием прибора не по назначению. Производитель снимает с себя ответственность за возможный вред, прямо или косвенно нанесенный его продукцией людям, домашним животным, имуществу.
- Войдите или зарегистрируйтесь, чтобы отправлять комментарии


